手机版
网站首页
博尧简介
宣传视频
选择我们的理由
品牌
产品
活力益生
新闻资讯
公司新闻
行业资讯
科研
团队
技术团队
生产车间
营养常识
营养课堂
益生菌百科
益生菌小常识每日一问
进口检疫检测 保单
联系我们
繁體中文
当前位置:
网站首页
>>
进口检疫检测 保单
>>
查看详情
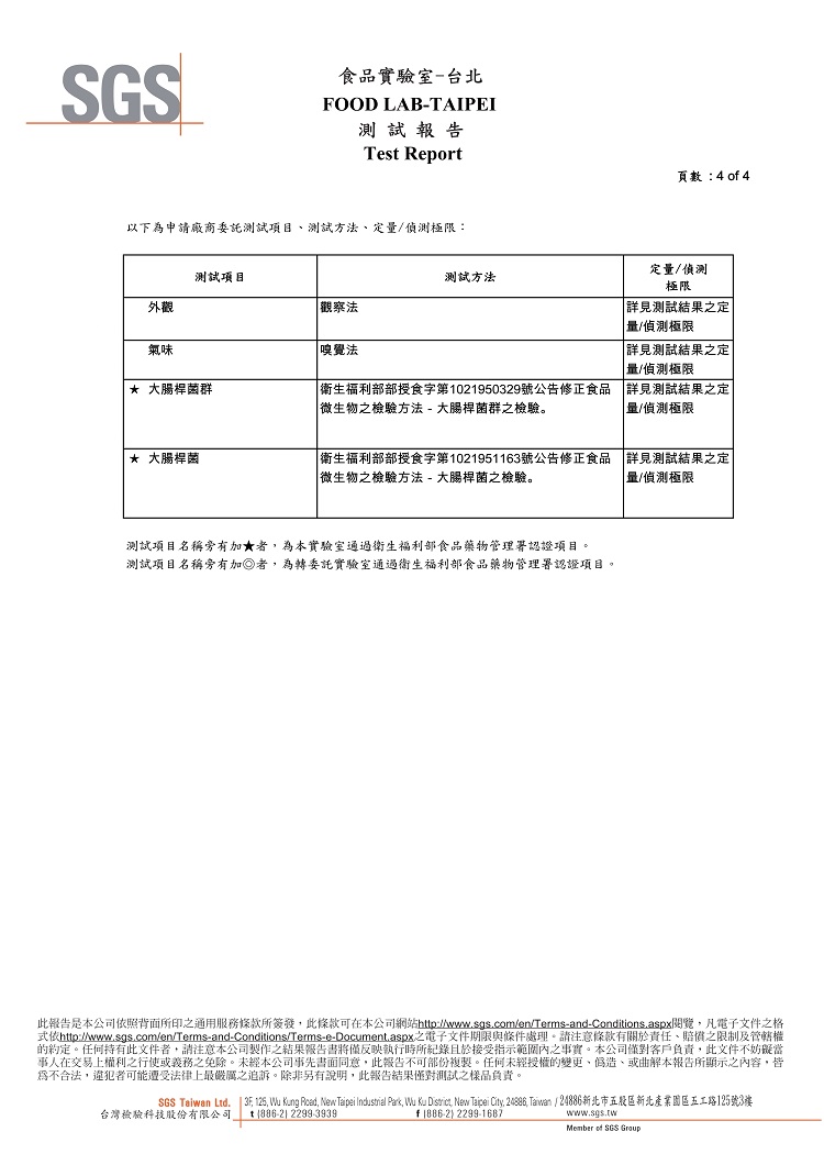
进口检疫检测 保单
N°9 SGS检测报告
来源:
活力益生
日期:
2020-02-15 15:16:22
点击:
1223
属于:
进口检疫检测 保单
上一:
N°9 自由销售证明
下一:
活力益生产品投保全球责任险保险证书
友情链接
中国网
中国日报
中国政府网
腾讯新闻
中国新闻网
搜狗
新浪
百度
好搜
搜狐
博尧简介
宣传视频
选择我们的理由
品牌
产品
活力益生
新闻资讯
公司新闻
行业资讯
科研
团队
技术团队
生产车间
营养常识
营养课堂
益生菌百科
益生菌小常识每日一问
电话:
021-50968986 (上海营销中心)
邮件:
1026678005@qq.com
地址:
上海市浦东新区川沙绣川路581号A幢1018室
活力益生台湾地区专用电商平台
如需下单购买请扫码此平台二维码
了解详情
https://bioyo.shoplineapp.com
微信扫描关注我们:
元素模板
博尧生物科技股份有限公司
版权所有 2023-2028